1.生物除臭工艺
BCE系列生物除臭设备适用行业

海德利尔HB系列生物除臭设备适用于市政污水处理厂、污水泵站、垃圾处理厂(站)、石油石化、医药化工、食品加工、喷涂、印刷、纺织印染、皮革加工等生产行业的恶臭控制。
生物净化工艺能够有效的降解以上各行业相关系统产生的硫化氢、氨、甲烷、三甲胺、甲硫醇、甲硫醚、二甲二硫、二硫化碳和苯乙烯等污染物质,这些恶臭成分主要是水中有机物在缺氧条件下的产物。后段过滤床根据废气源条件可选配,以强化处理。(如活性炭吸附除臭、植物液除臭等)。
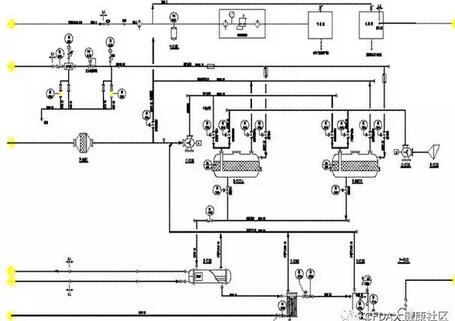
生物净化工艺介绍
各臭气源点的臭气经集气系统负压收集后,通过离心风机的抽送,被直接导入洗涤—生物滤床除臭设备。前段洗涤床具有有效除尘、调节臭气的湿温度、消减峰值浓度冲击、去除部分水溶性物质等功能。在后段的多级生物过滤床内,通过气液、液固传质由多种微生物将致臭物质降解。
含硫系列臭气被氧化分解成S、SO32—、SO42—。硫黄氧化菌的作用是清除硫化氢、甲硫醇、甲基化硫等硫黄化合物。含氮系列臭气被氧化分解成NH4+、NO2—、NO3—,消化菌等氮化菌的作用是清除恶臭成分中的氮。当恶臭气体为H2S时,专性的自养型硫氧化菌会在一定的条件下将H2S氧化成硫酸根;当恶臭气体为有机硫如甲硫醇时,则首先需要异氧型微生物将有机硫转化成H2S,然后H2S再由自养型微生物氧化成硫酸根。H2S+O2+自养硫化细菌+CO2→合成细胞物质+SO42—+H2O
CH3SH→CH4+H2S→CO2+H2O+SO42—
当恶臭气体为NH3时,氨先与水反应生成氨水,然后在有氧条件下,经亚硝酸细菌和硝酸细菌的硝化作用转为硝酸,在兼性厌氧条件下,硝酸盐还原细菌将硝酸盐还原为氮气。
硝化:NH3+O2→HNO2+H2O
HNO2+O2→HNO3+H2O
反硝化:HNO3→HNO2→HNO→N2O→N2
后段过滤床根据废气源条件可选配,以强化处理。(如活性炭吸附除臭、植物液除臭等)
BCE系列生物净化装置性能特点
微生物活性强生物填料寿命长
表面积大生物膜易生长、耐腐蚀、耐生物降解、保湿性能好、孔隙率高、压损小及良好的布气布水等特性,使用寿命可达8-10年。
设备操作简单实现自动控制
工艺运行按PLC设置实现完全自动、运行稳定、无人管理,可24小时连续运行,也适合于间断运行。
运行能耗少
由于本填料良好的保湿性能,喷淋水间歇运行,水的消耗量少。填料本身耐生物腐蚀,填料本身没有损耗,可长期稳定运行。
除臭工艺先进、合理无二次污染
有效去除硫化氢、氨气、甲硫醇等特定污染物,去除率高达95%以上,任何季节、气候条件下都能满足各地最严格的除臭环保要求。排放产物人畜无害,属环境友好性技术,无二次污染。
2.低温等离子体技术
低温等离子体除臭设备适用行业

制药、印染、制造、化工、化纤等行业在运作过程中会产生大量挥发性有机污染物(VOCs)传统的处理方法如吸收、吸附、冷凝和燃烧法等(详见:有机废气处理组合工艺),对于低浓度的VOCs很难实现,而光催化降解VOCs又存在催化剂容易失活的问题,利用低温等离子体处理VOCs可以不受上述条件的限制,具有潜在的优势。
低温等离子废气处理设备已经还广泛的应用于环境保护、包装、纺织、塑料制品、汽车制造、电子设备制造、家电制造、计算机制造、手机制造、生物材料、卫生材料、医疗器皿、杀菌消毒、环保设备、石油天然气管道、供暖管道、化工子、半导体、航空航天等行业中。
低温等离子废气处理工艺概述
低温等离子体是继固态、液态、气态之后的物质第四态,当外加电压达到气体的放电电压时,气体被击穿,产生包括电子、各种离子、原子和自由基在内的混合体。放电过程中虽然电子温度很高,但重粒子温度很低,整个体系呈现低温状态,所以称为低温等离子体。低温等离子体降解污染物是利用这些高能电子、自由基等活性粒子和废气中的污染物作用,使污染物分子在极短的时间内发生分解,并发生后续的各种反应以达到降解污染物的目的。
DBD等离子体反应区富含极高的物质,如高能电子、离子、自由基和激发态分子等,废气中的污染物质可与这些具有较高能量的物质发生反应,使污染物质在极短的时间内发生分解,并发生后续的各种反应以达到讲解污染物的目的。与传统的电晕放电形势产生的低温等离子技术相比较,DBD等离子体技术放电量是电晕放电的50倍,放电密度是电晕放电的130倍。所以,传统低温等离子体技术只能用于室内空气异味治理,与其他低温等离子体技术相比较,DBD等离子体技术是唯一用于工业化工艺废气治理的技术。

图1DBD等离子体双介质阻挡放电示意图
等离子体去除污染物的基本过程
过程一:高能电子的直接轰击
过程二:O原子或臭氧的氧化
O2+e→2O
过程三:OH自由基的氧化
H2O+e→OH+H
H2O+O→2OH
H+O2→OH+O
过程四:分子碎片+氧气的反应
低温等离子技术特点
1、技术高端,工艺简洁:开机后,即自行运转,受工况限制非常少,无需专人操作,除臭率最高可达99%。
2、节能:无机械设备,空气阻力小,耗电量约为0.003kw/m3废气。
3、适应工况范围宽:设备启动、停止十分迅速,随用随开,不受气温的影响。在250℃以下和在雾态工况环境中均可正常运转。-50℃至+50℃的环境温度仍可正常运转。
4、设备使用寿命长:本设备由不锈钢材,铜材、钼材、环氧树脂等材料组成,抗氧化,采用防腐蚀材料,电极与废气不直接接触,根本上解决了设备腐蚀问题。
5、结构简单:只需用电,操作极为简单,无需派专职人员看守,基本不占用人工费。
6、无机械设备:故障率低,维修容易。
7、应用范围广:介质阻挡放电产生的低温等离子体中,电子能量高,几乎可以将所有的异味气体分子降解。
低温等离子体技术工艺路线示意图
异味气体从气体收集系统收集后进入等离子体反应区,在高能电子的作用下,使异味分子受激发,带电粒子或分子间的化学键被打断,同时空气中的水和氧气在高能电子轰击下也会产生OH自由基、活性氧等强氧化性物质,这些强氧化性物质也会与异味分子反应,使其分解,从而促进异味消除。净化后的气体经排气筒高空排放。

图为废气处理工艺路线示意图
在化工、制药厂正常运作的低温等离子废气处理设备:

3.有机废气处理工艺
有机废气处理方法概述
炭氢化合物(HC)是污染大气的重要污染物之一,其中包括简单的有机化合物。目前对于气态有机物污染物种类繁多,采用的治理的方法也有多种,常用的有:吸收法、吸附法、催化燃烧法、燃烧法、冷凝法等。这些方法应用中各有特点和利弊,需要根据污染程度、使用环境与条件来权衡。对于环保检查机构和污染治理方所共同关心的是:初次投资费、运行费用、二次污染、处理效果、维护等方面的问题。简而言之这些方法均能满足一定条件下气态污染物的处理。对于以上各种方法的适用范围以及特点叙述入如下:

有机废气吸附-脱附-冷凝回收技术工艺
有机废气净化装置采用的是吸附法和冷凝法组合的方式净化有机废气。充分发挥两者的优点净化效率高,把它们的弊端进行可利用的转化,对吸附物的再生处理利用低温水蒸气脱附,恢复吸附体的活性,对脱附下来的有机物回收利用。对于有机废气的净化这是目前比较先进的治理方法。
应用范围
有机废气净化装置适用于净化处理常温、中低风量、中高浓度的有机废气,可处理的有机溶剂包括苯类、酮类、脂类、醇类、醛类、醚类、烷类和其混合类。
该装置可应用于家具行业、石油化工、煤化工、人造革、纺织印染、油漆涂料、橡胶、塑料、制鞋、制药、电子、化纤、酿造等行业。
工作原理
处理过程可分为三个阶段:
1、用颗粒状或者纤维状的活性炭来充分吸附废气中有机成分的分子,当吸附到一定的饱和度时即停止吸附;
2、开始时是利用饱和低压水蒸气去加热吸附饱和的活性炭,将被吸附的有机成分激活气化而从活性炭中脱附逸出。恢复活性的活性炭即可以重新吸附有机成分的气体分子;
3、最后阶段就是对脱附出来的有机成分的气体进行冷凝,使其液化,与水自动分层后回用。

技术特点
操作简便,节能省力;
技术成熟可靠,设备运行稳定;
高性能吸附剂,比表面积大,吸-脱附性能好净化效率高;
设备运行安全,系统出现气流温度超过正常温度达120℃时,系统配备有排空阀门,可以根据系统的自动安全程序进行工作,实现气流的排空,直至切断吸附床连接,终止吸附-脱附流程。
吸附浓缩+催化氧化技术工艺流程
采用的处理方法是吸附法和催化法的组合,充分发挥两者的优点净化效率高,把它们的弊端进行可利用的转化,对吸附物的再生处理利用其本身催化燃烧的热量来进行脱附,恢复吸附体的活性,省去了二次能源,从而补偿了催化剂的价格问题。对于有机废气的净化这是目前比较先进的治理方法。
应用范围
有机废气净化装置适用于净化处理常温、大风量、中、低浓度的有机废气,可处理的有机溶剂包括苯类、酮类、脂类、醇类、醛类、醚类、烷类和其混合类。
该装置可广泛应用于汽车、造船、摩托车、自行车、家用电器、钢琴、集装箱生产厂的喷漆、涂装车间的有机废气净化,也可与制鞋粘胶、印铁制罐、化工塑料、印刷油墨、电缆、漆包线等流水线配套使用。
工作原理
处理过程可分为三个阶段:
1、用特殊成型的活性炭来充分吸附废气中有机成分的分子,当吸附到一定的饱和度时即停止吸附;
2、第二阶段开始时是用附加的加热器加热一股气流,利用热气流去加热吸附饱和的活性炭,将被吸附的有机成分激活气化而从活性炭中脱附逸出。恢复活性的活性炭即可以重新吸附有机成分的气体分子;
3、对脱被附出来的有机成分的气体进行加热,使其达到催化燃烧所需要的温度进入催化燃烧床,这里说燃烧,实质是在催化剂的作用下进行快速激烈的氧化,将有机成分的炭氢分子氧化成CO2和H2O,再通过脱附风机,将其送入吸附床,直到脱附出来的有机成分的分子均被氧化为止,脱附过程即将进行完成。
由于在其氧化反应同时能释放相当多的热量,就在装置中设置了换热器,利用这个热量来加热被脱附出来的有机成分气体,并最终替代加热器工作。

技术特点
全自动化控制,操作简便,节能省力;
无火焰氧化,净化效率高,设备运行安全,安全高效;
催化活性高,性能稳定、阻力小;
高性能活性炭吸附剂,比表面积大,吸-脱附性能好,过风阻力小;
4.高能离子技术
高能离子净化工艺
离子发生装置发射出高能正、负离子,它与空气中的有机挥发性气体分子(VOC)接触,打开VOC分子化学键,分解成二氧化碳和水;对硫化氢、氨具有分解作用,分解后的物质与空气中尘埃粒子及固体颗粒碰撞,使颗粒荷电产生聚合作用,形成较大颗粒靠自身重力沉降下来;同时有效地破坏空气中细菌生存的环境,降低空气中细菌浓度,并将其完全消除,从而使气体达到净化的目的。

臭气源通过臭气收集系统,经过滤去除掉颗粒、灰尘之后,进入离子发生器箱体,在此臭气与高能正、负离子接触反应,处理后的洁净空气经引风机排入大气。
高能离子净化装置技术参数

(注:ACE系列除臭设备表中尺寸仅供参考;不在本表中的大气量生物除臭装置或用户特殊要求除臭装置,可根据现场条件和用户要求另行设计制造。)
ACE系列高能离子净化装置性能特点
体积小,重量轻
占地面积仅为生物除臭设备的1/5-1/10,非常适用于有景观要求、布置紧凑、场地狭小、间歇运行等特殊要求的项目。
系统阻力小,能耗低
风机阻力小,功率低,能耗低。
投资少
节省占地和土建费用、安装调试灵活。
噪音低、无污染
没有残留物和二次污染,环保美观。
操作简单、维护方便
可根据实际情况频繁启停设备,且适用于温差及湿度变化大的场合,无须保温保湿,操作管理及维护简便,只需每半年清洁过滤器和离子管即可。
ACE系列高能离子净化装置应用领域
畜禽养殖场、水产品加工厂、皮革生产车间、面喷涂处理等车间的异味控制,以及污水处理厂、污水泵站、垃圾中转站等空间狭小或场地受限制的场所的异味控制。
采用离子送风系统,可用于改善人工作业环境、减轻设备腐蚀;也可应用于医院、宾馆、酒店、车站、政府大厦、会议室和办公场所的优质气源提供。
5.吸附催化燃烧
吸附催化燃烧工艺
本净化装置是根据吸附和催化燃烧两个基本原理设计的,即吸附浓缩—催化燃烧法。该除尘设备采用单床吸附净化有机废气和催化燃烧装置再生激活活性炭工作方式。先将有机废气用活性炭吸附低浓度的有机废气,当快达到饱和时停止吸附操作,然后用热气流将有机物从活性炭上脱附下来使活性炭再生;脱附下来的有机物已被浓缩(浓度较原来提高几十倍)并送往催化燃烧室催化转化成CO2和H2O排出;当有机废气的浓度达到2000ppm以上时,有机废气在催化床可维持自燃,不用外加热。燃烧后的尾气一部分排入大气,大部分送往吸附床,用于活性炭的脱附再生。这样可以满足燃烧和脱附所需热能,达到节能的目的,再生后的活性炭可用于下次吸附。
该净化装置设备是利用催化燃烧的方法,将有毒有害的有机气体转化为无毒的气体。
该装置主体结构,由净化装置主机、引风机、控制系统三大部分组成。其中催化燃烧净化装置包括:除尘阻火器、热交换器、预热器、催化燃烧室。
催化燃烧设备特点
1.设备运行稳定可靠,故障率低,维护保养简便;
2.设备运行费用相对较低;
3.安全性能良好,系统采用多重安全设施,杜绝发生安全事故;
有机废气吸附-催化催化工艺被广泛应用于涂装、印刷、机电、家电、制鞋、塑料及各种化工车间里挥发或泄漏出的有害有机废气的净化及臭味的消除等工程项目当中,最适用于较低浓度(50~1000ppm)的、不宜采用直接燃烧或催化燃烧法和吸附回收法处理的有机废气治理的案例。尤其对大风量的处理场合,均可获得满意的经济效益和社会效益。我公司通过众多的工程实例,不断的完善技术工艺,使装置更具实用性和安全性,在保证连续达标的前提下尽可能的减少能耗。
6.RTO蓄热式氧化炉
蓄热式氧化炉(RTO)
RTO(RegenerativeThermalOxidizer,简称RTO),蓄热式氧化炉,是一种高效有机废气治理设备。其原理是在高温下将可燃废气氧化成对应的氧化物和水,从而净化废气,并回收废气分解时所释放出来的热量,废气分解效率达到99%以上,热回收效率达到95%以上。RTO主体结构由燃烧室、陶瓷填料床和切换阀等组成。根据客户实际需求,选择不同的热能回收方式和切换阀方式。
蓄热式焚烧炉采用热氧化法处理中低浓度的有机废气,用陶瓷蓄热床换热器回收热量。其由陶瓷蓄热床、自动控制阀、燃烧室和控制系统等组成。其主要特征是:蓄热床底部的自动控制阀分别与进气总管和排气总管相连,蓄热床通过换向阀交替换向,将由燃烧室出来的高温气体热量蓄留,并预热进入蓄热床的有机废气;采用陶瓷蓄热材料吸收、释放热量;预热到一定温度(≥760℃)的有机废气在燃烧室发生氧化反应,生成二氧化碳和水,得到净化。
典型的两床式RTO主体结构一个燃烧室、两个陶瓷填料床和四个切换阀组成。该装置中的蓄热式陶瓷填充床换热器可使热能得到最大限度的回收,热回收率大于95%;处理VOC时不用或使用很少的燃料。

适用于下列有机废气的治理
1、适用有机废气种类:烷烃、烯烃、醇类、酮类、醚类、酯类、芳烃、苯类等碳氢化合物有机废气;
2、有机物低浓度(同时满足低于25%LFL)、大风量;
3、废气中含有多种有机成分、或有机成分经常发生变化;
4、含有容易使催化剂中毒或活性衰退成分的废气。
工艺特点
操作费用低,超低燃料费。
有机废气浓度在450PPM以上时,RTO装置不需添加辅助燃料。
净化率高。
两床式RTO净化率在98%以上,三床床式RTO净化率在99%以上。
不产生NOX等二次污染。
全自动控制、操作简单。
安全性高,使用寿命长,维护保养易。
运行费用低、性价比合理。
应用领域
石油及化工(如塑料、橡胶、合成纤维、有机化工);油漆生产及喷漆;印刷(包括印铁、印纸、印塑料);电子元件及电线;农药及染料;医药;显像管、胶片、磁带等。
7.光催化氧化工艺
光催化氧化工艺原理
1.光催化氧化是在外界可见光的作用下发生催化作用,光催化氧化反应是以半导体及空气为催化剂,以光为能量,将有机物降解为CO2和H2O及其它无毒无害成份。本公司利用人工紫外线光波作为能源,配合经我公司特殊处理后活性最强、反应效率最高的纳米TiO2催化剂,废臭气体经过处理后可达到净化的更理想的效果。2.在半导体光催化氧化反应中,通过紫外光照射在纳米TiO2催化剂上,纳米TiO2催化剂吸收光能产生电子跃进和空穴跃进,经过进一步的结合产生电子-空穴对,与废气表面吸附的水份(H2O)和氧气(O2)反应生成氧化性很活波的羟基自由基(OH-)和超氧离子自由基(O2-、0-)。能够把各种有机废气如醛类、苯类、氨类、氮氧化物、硫化物以及其它VOC类有机物及无机物在光催化氧化的作用下还原成二氧化碳(CO2)、水(H2O)以及其它无毒无害物质,经过净化之后的废气分子被活化降解,臭味也同时消失了,起到了废气除臭的作用,同时对管道内滋生的细菌病毒都可以有效的去除,由于在光催化氧化反应过程中无任何添加剂,所以不会产生二次污染,运行成本方面只是用到电能,无需经常更换配件,对于企业来的使用上是相当的节能环保。

光催化氧化的特点
(1)光催化氧化适用环境:
光催化氧化适合在常温下将废气臭气等有毒有害有味成份完全氧化净化成无毒无害味的低分子成份,适合处理高浓度(可用预处理的方式让浓度均匀通过)、气量大(设备可组合式处理)、分子结构稳定性强的有毒有害气体。
(2)有效净化彻底:
通过光催化氧化可直接将空气中的有机废气完全氧化成无毒无害的物质,不留任何二次污染,
(3)高效节能:
光催化氧化利用人工紫外线灯管产生的真空波紫外光作为能源来活化光催化剂,驱动氧化—还原反应,而且光催化剂在反应过程中并不消耗,利用废气臭气表面中的水份和氧气作为氧化剂,有效地降解有毒有机废气体成为光催化高效净化、节约能源的最大特点。
(4)氧化性强:
半导体光催化具有氧化性强的特点,对臭氧难以氧化的某些有机物如三氯甲烷、四氯化炭、六氯苯、都能有效地加以分解,最终还原为二氧化碳(CO2)、水(H2O)以及其它无毒无害物质,所以对难以降解的有机物具有特别意义,光催化的有效氧化剂是羟基自由基(OH-)和超氧离子自由基(O2-、O-),其氧化性高于常见的臭氧、双氧水、高锰酸钾、次氯酸等。
(5)广谱性:
光催化氧化对从烃到羧酸的种类众多有机物都有效,即使对原子有机物如卤代烃、染料、含氮有机物、有机磷杀虫剂也有很好的去除效果,只要达到一定的反应时间和反应环境配比即可达到完全氧化,可以说氢氧自由基的氧化对象几乎没有选择性,能跟任何现有物质反应。
(6)使用命长:
从理论上讲,由于光催化氧化反应中催化剂并未直接参与氧化还原,所以没有损耗,寿命是无限长的,无需更换。
设备选型说明
A、若采用UV光解技术净化废气,首先需要确定个化学键键能,只有键能低于UV光子能量,才能被裂解

上表中包含了氨、硫化氢、甲硫醇、甲硫醚等恶臭气体的所有化学键键长、键能参数,而光解氧化除臭设备产生的185nm超强紫外线光的光子能量达到647KJ/mol,185nm超强紫外线光波段中的成分广谱波长可短至100nm,其光子能量更高达800KJ/mol以上,几乎所有恶臭气体的分子链都可被打开,从而起到消除臭味的作用。
B、废气分子只被裂解成原子、自由基是不够的,还需要通过臭氧将其氧化成稳定的小分子,如CO2、H2O等,从而达到废气净化的目的。顾需要有充分的氧气被高能UV光照射生成臭氧。
应用领域
光解氧化除臭设备可广泛用作制药厂除臭设备、橡胶厂除臭设备、塑料加工厂除臭设备、污水处理厂除臭设备、垃圾处理场站除臭设备、食品厂除臭设备、卷烟厂除臭设备、化工罐区除臭设备。
8.化学吸收工艺
化学洗涤工艺
1、化学洗涤法
当恶臭气体在水中或其它溶液中溶解度较大,或恶臭物质能与之发生化学反应时,可用液体吸收法治理。恶臭气体常见吸收剂有苛性钠、次氯酸钠、硫酸、盐酸、亚硫酸钠等。
2、化学洗涤法原理
化学洗涤法一般采用喷淋塔的形式对恶臭气体进行处理,喷淋塔属两相逆向流填料吸收塔。气体从塔体下方进气口沿切向进入净化塔,在风机的动力作用下,迅速充满进气段空间,然后均匀地通过均流段上升到填料吸收段。在填料的表面上,气相中污物与液相中物质发生化学反应。反应生成的可溶性盐随吸收液流入下部贮液槽。未完全吸收的气体继续上升进入喷淋段。在喷淋段中吸收液从均布的喷嘴高速喷出,形成无数细小雾滴与气体充分混合、接触、继续发生化学反应。在喷淋段及填料段两相接触的过程也是材热与传质的过程。通过控制空塔流速与滞贮时间保证这一过程的充分与稳定。对于某些化学活泼性较差的气体,尚需在吸收液中加入一定量的表面活性剂。塔体的最上部是除雾段,气体中所夹带的吸收液雾滴在这里被清除下来,经过处理后的洁净空气从净化塔上端排气管排入大气。
3、化学洗涤特点
采用填料塔对废气进行净化,适合于连续和间歇排放废气的治理;工艺简单,管理、操作及维修相当方便简洁,不会对车间的生产造成任何影响;适用范围广,可同时净化多种污染物;压降较低,操作弹性大,且具有很好的除雾性能;塔体可根据实际情况采用FRP/PP/PVC等材料制作;填料采用高效、低阻的鲍尔环,可彻底地去除气体中的异味、有害物质等。
4、化学洗涤法适用范围
广泛应用于化工、电子、冶金、电镀、纺织(化纤)、食品、机械制造等行业过程中排放的酸、碱性废气的净化处理。如调味食品、制酸、酸洗、电镀、电解、蓄电池等。
9.植物液除臭工艺
天然植物液除臭工艺
上个世纪七十年代初,国外就开始了从纯天然植物液中提取汁液消除恶臭的研究工作,并成功的从多种可食用的天然植物中得到可以消除不同异味的、多种型号的植物提取液在全球已经有超过八十个国家和地区在使用天然植物提取液异味控制技术消除各类环境异味,尤其是由有机物散发的恶臭。其重要特点是能够迅速消除臭味而不是暂时的掩盖臭臭味。
天然植物液产品由纯天然植物提炼,对人体无毒无害,不会引起皮肤或呼吸系统过敏等各种不良反应,是可靠的、符合国际健康标准的环保产品。
天然植物提取液可以根据各种不同的工作场合和公共场所,不同的异味源,有针对性的设计工艺,清除异味,保持空气环境清洁。

天然植物除臭工艺原理
天然植物液经雾化后,能有效吸附空气中的异味分子,并改变异味分子结构型式,进而消除异味,其具体机理如下:
①天然植物液含有生物碱,与硫化氢等酸性异味分子反应消除异味。
②天然植物液部分有效成分具有还原性,能与异味气体中部分物质(如甲醛)之间进行氧化还原反应消除异味。
③天然植物液液滴具有很大的比表面积,具有很大的表面能。平均每摩尔约为几十千卡。这个数量级的能量已是许多元素中键能的1/3-1/2。溶液的表面不仅能有效地吸咐在空气中的异味分子,同时也能使被吸附的异味分子的立体构型发生改变,削弱了异味分子中的化合键,使得异味分子的不稳定性增加,容易与其他分子进行化学反应,植物液中的酸性缓冲液发生反应,最后生成无味、无毒的有机盐。
④我公司(杭州楚天科技有限公司)采用的天然植物液是无毒无害的液体,经过全球数十个国家和地区的严格检测认可,天然植物液安全、无毒、无刺激、不燃烧、不爆炸。
天然植物液与部分异味分子的反应

系统组成
系统组成包括全自动配液系统、高压雾化系统、管路系统、电气控制系统等。
全自动配液系统包括储液箱、自动比例加药器、过滤器等,可自动控制。
高压雾化系统包括高压水泵、雾化喷嘴及管路组成。
电气控制系统包括液位开关、流量开关等组成。
ZCE系列植物液喷淋装置性能特点
高效性
同等用量下,它的处理效率明显高于传统的化学吸附剂。
安全无毒性,无二次污染
经严格的检测以及大量的实践证明,其对人体和动物是无害、无毒的,不会引起皮肤或呼吸系统过敏,不会引起各种不良反应。天然植物液为有机成分,具有可生化性,即能够自行降解,因为不会带来二次污染。
用途广泛,效果独特。
可用于宾馆、酒店、车站、政府大厦、会议室和办公场所的空气净化,更常用于各类型工程、垃圾场、污水处理厂、堆肥场、屠宰场食品厂等场所的除臭。
投资少,运行费用低
使用少量天然植物液就能实现大面积的臭气的净化。
安装维护简单,占地省
系统容易安装使用,基本不需花费太多时间和费用,占地面积省,仅1平米的占地面积。
天然植物除臭液的适用范围
可用于宾馆、酒店、车站、政府大厦、会议室和办公场所的空气净化,更常用于各类型工程、垃圾场、污水处理厂、堆肥场、屠宰场食品厂等场所的除臭。
1、垃圾填埋场、垃圾中转站、工业及城市污水处理厂、城市污水泵站等异味严重的地方,企业污水曝气池臭味治理;
2、肉类加工厂、屠宰厂、饲养场、动物园等;
3、医院、候车室、公厕、新装修的住宅、餐厅等场所;
4、化工厂、皮革、制鞋、家具生产车间。

15298502539
留言